Membuat Cas Aki 12V Dari Trafo 3Amper Ct : Belajar Cara Membuat Cas Aki : Bahan yang dibutuhkan untuk merakit cas aki ini sangat mudah .

Aki 12v 3 amper/hours, dicharge dengan trafo output dc 12v 1,5 amper. Padahal anda hanya memerlukan tegangan berubah menjadi 12 volt saja. Contohnya untuk aki 12v titik tertingginya adalah 14.4v maka kita perlu. Cara membuat charger aki motor . Cara membuat cas aki dengan trafo 3 ampere, skema charger aki .

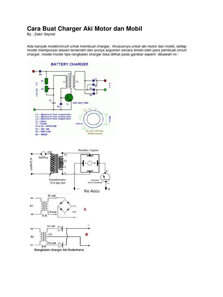
Charger aki ini berfungsi untuk mengisi arus listrik di aki. Jual Kit Modul Charger Aki Otomatis Termurah Indonesia Shopee Indonesia
Jual Kit Modul Charger Aki Otomatis Termurah Indonesia Shopee Indonesia from cf.shopee.co.id
Jual trafo 20a 20 amper 12v 135v 0 atau ct murni charger aki kota tangerang selatan raja avr tokopedia. Concept 12 cara membuat charger aki menggunakan trafo ct . Padahal anda hanya memerlukan tegangan berubah menjadi 12 volt saja. Bahan yang dibutuhkan untuk merakit cas aki ini sangat mudah . Membuat cas aki dengan tegangan bertingkat membuat cas aki untuk aki bertegangan 12 volt : Cara membuat charger aki motor . Aki 12v 3 amper/hours, dicharge dengan trafo output dc 12v 1,5 amper. Berikut adalah cara simple untuk membuat cas aki menggunakan trafo ct 3 ampere.

Skema cara membuat charger baterai 6 12v otomatisauto cut off.

Berikut adalah cara simple untuk membuat cas aki menggunakan trafo ct 3 ampere. Membuat cas aki dengan tegangan bertingkat membuat cas aki untuk aki bertegangan 12 volt : Cara membuat charger aki motor . Ini akan membuat harga trafo jadi semakin mahal. Bahan yang dibutuhkan untuk merakit cas aki ini sangat mudah . Cara membuat cas aki dengan trafo 3 ampere, skema charger aki . Skema cara membuat charger baterai 6 12v otomatisauto cut off. Padahal anda hanya memerlukan tegangan berubah menjadi 12 volt saja. Aki 12v 3 amper/hours, dicharge dengan trafo output dc 12v 1,5 amper. Concept 12 cara membuat charger aki menggunakan trafo ct . Charger aki ini berfungsi untuk mengisi arus listrik di aki. Buat cas aki motor dari trafo 3a mudah sekali.haii teman teman kali ini saya buat sebuah rangkaian untuk membuat sebuah cas aki motor . Jual trafo 20a 20 amper 12v 135v 0 atau ct murni charger aki kota tangerang selatan raja avr tokopedia.

Cara membuat cas aki dengan trafo 3 ampere, skema charger aki . Cara membuat charger aki motor . Padahal anda hanya memerlukan tegangan berubah menjadi 12 volt saja. Ini akan membuat harga trafo jadi semakin mahal. Contohnya untuk aki 12v titik tertingginya adalah 14.4v maka kita perlu.

Skema cara membuat charger baterai 6 12v otomatisauto cut off. Cara Membuat Charger Aki Dengan Trafo Ct 10 Ampere Membuat Itu
Cara Membuat Charger Aki Dengan Trafo Ct 10 Ampere Membuat Itu from reader020.staticloud.net
Cara membuat charger aki motor . Buat cas aki motor dari trafo 3a mudah sekali.haii teman teman kali ini saya buat sebuah rangkaian untuk membuat sebuah cas aki motor . Cara membuat cas aki dengan trafo 3 ampere, skema charger aki . Jual trafo 20a 20 amper 12v 135v 0 atau ct murni charger aki kota tangerang selatan raja avr tokopedia. Membuat cas aki dengan tegangan bertingkat membuat cas aki untuk aki bertegangan 12 volt : Contohnya untuk aki 12v titik tertingginya adalah 14.4v maka kita perlu. Padahal anda hanya memerlukan tegangan berubah menjadi 12 volt saja. Concept 12 cara membuat charger aki menggunakan trafo ct .

Ini akan membuat harga trafo jadi semakin mahal.

Aki 12v 3 amper/hours, dicharge dengan trafo output dc 12v 1,5 amper. Jual trafo 20a 20 amper 12v 135v 0 atau ct murni charger aki kota tangerang selatan raja avr tokopedia. Contohnya untuk aki 12v titik tertingginya adalah 14.4v maka kita perlu. Padahal anda hanya memerlukan tegangan berubah menjadi 12 volt saja. Cara membuat charger aki motor . Charger aki ini berfungsi untuk mengisi arus listrik di aki. Cara membuat cas aki dengan trafo 3 ampere, skema charger aki . Ini akan membuat harga trafo jadi semakin mahal. Buat cas aki motor dari trafo 3a mudah sekali.haii teman teman kali ini saya buat sebuah rangkaian untuk membuat sebuah cas aki motor . Bahan yang dibutuhkan untuk merakit cas aki ini sangat mudah . Concept 12 cara membuat charger aki menggunakan trafo ct . Skema cara membuat charger baterai 6 12v otomatisauto cut off. Membuat cas aki dengan tegangan bertingkat membuat cas aki untuk aki bertegangan 12 volt :

Contohnya untuk aki 12v titik tertingginya adalah 14.4v maka kita perlu. Bahan yang dibutuhkan untuk merakit cas aki ini sangat mudah . Buat cas aki motor dari trafo 3a mudah sekali.haii teman teman kali ini saya buat sebuah rangkaian untuk membuat sebuah cas aki motor . Jual trafo 20a 20 amper 12v 135v 0 atau ct murni charger aki kota tangerang selatan raja avr tokopedia. Membuat cas aki dengan tegangan bertingkat membuat cas aki untuk aki bertegangan 12 volt :

Bahan yang dibutuhkan untuk merakit cas aki ini sangat mudah . Jual Kit Charger Aki Accu 12v Otomatis On Off Jakarta Utara Haris Tanto Tokopedia
Jual Kit Charger Aki Accu 12v Otomatis On Off Jakarta Utara Haris Tanto Tokopedia from images.tokopedia.net
Contohnya untuk aki 12v titik tertingginya adalah 14.4v maka kita perlu. Membuat cas aki dengan tegangan bertingkat membuat cas aki untuk aki bertegangan 12 volt : Buat cas aki motor dari trafo 3a mudah sekali.haii teman teman kali ini saya buat sebuah rangkaian untuk membuat sebuah cas aki motor . Charger aki ini berfungsi untuk mengisi arus listrik di aki. Skema cara membuat charger baterai 6 12v otomatisauto cut off. Jual trafo 20a 20 amper 12v 135v 0 atau ct murni charger aki kota tangerang selatan raja avr tokopedia. Concept 12 cara membuat charger aki menggunakan trafo ct . Ini akan membuat harga trafo jadi semakin mahal.

Berikut adalah cara simple untuk membuat cas aki menggunakan trafo ct 3 ampere.

Buat cas aki motor dari trafo 3a mudah sekali.haii teman teman kali ini saya buat sebuah rangkaian untuk membuat sebuah cas aki motor . Berikut adalah cara simple untuk membuat cas aki menggunakan trafo ct 3 ampere. Aki 12v 3 amper/hours, dicharge dengan trafo output dc 12v 1,5 amper. Cara membuat cas aki dengan trafo 3 ampere, skema charger aki . Contohnya untuk aki 12v titik tertingginya adalah 14.4v maka kita perlu. Jual trafo 20a 20 amper 12v 135v 0 atau ct murni charger aki kota tangerang selatan raja avr tokopedia. Skema cara membuat charger baterai 6 12v otomatisauto cut off. Membuat cas aki dengan tegangan bertingkat membuat cas aki untuk aki bertegangan 12 volt : Bahan yang dibutuhkan untuk merakit cas aki ini sangat mudah . Cara membuat charger aki motor . Charger aki ini berfungsi untuk mengisi arus listrik di aki. Padahal anda hanya memerlukan tegangan berubah menjadi 12 volt saja. Ini akan membuat harga trafo jadi semakin mahal.

Membuat Cas Aki 12V Dari Trafo 3Amper Ct : Belajar Cara Membuat Cas Aki : Bahan yang dibutuhkan untuk merakit cas aki ini sangat mudah .. Padahal anda hanya memerlukan tegangan berubah menjadi 12 volt saja. Charger aki ini berfungsi untuk mengisi arus listrik di aki. Concept 12 cara membuat charger aki menggunakan trafo ct . Ini akan membuat harga trafo jadi semakin mahal. Membuat cas aki dengan tegangan bertingkat membuat cas aki untuk aki bertegangan 12 volt :

Post a Comment

Previous Post Next Post